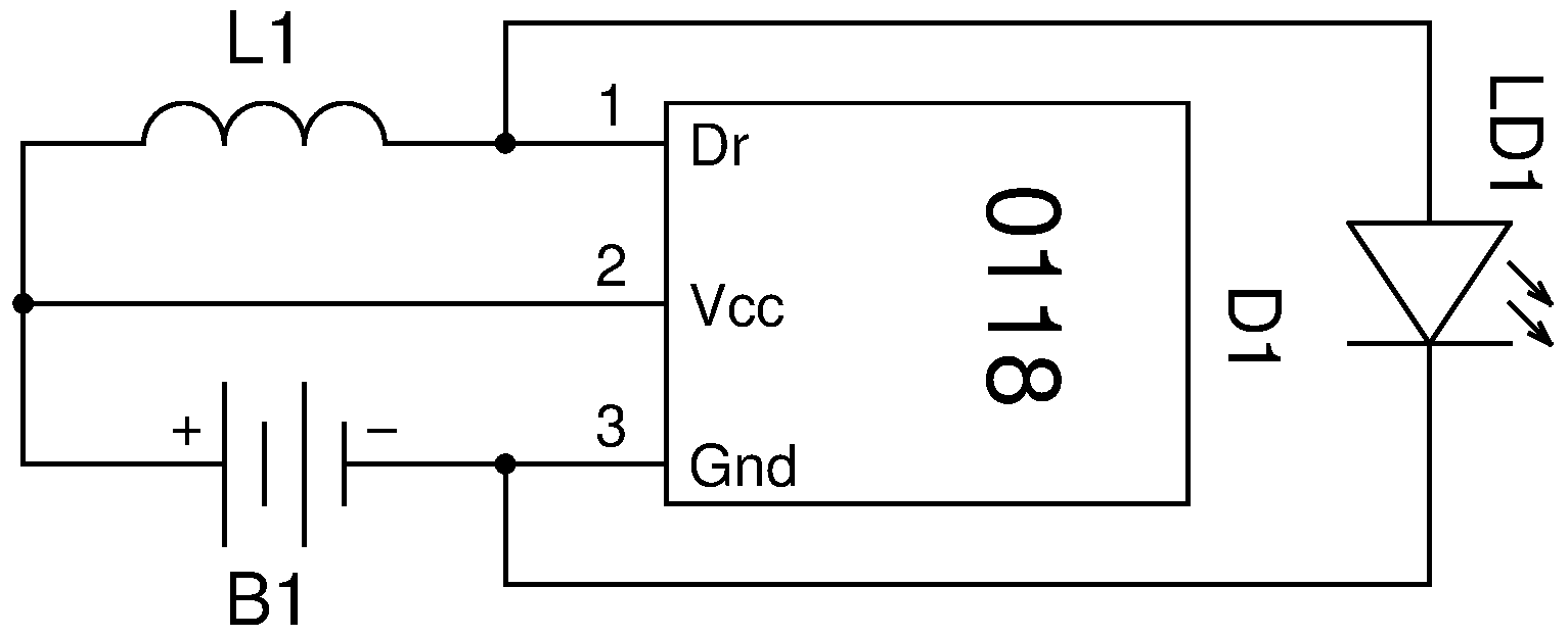
Принципиальная схема светодиодного фонарика Фотон с питанием от 2-х батареек АА. Рабочее напряжение питания фонарика 3 В, но его работоспособность сохраняется при снижении напряжения питания до 2 В.
Схема фонарика состоит из микросхемы преобразователя напряжения 0118, дросселя и трёх светодиодов включённых параллельно.

Рис.1. Принципиальная электрическая схема светодиодного фонарика с преобразователем напряжения.

Рис. 2. Осцилограмма, снятая в точках 1, 3. См. на принципиальной электрической схеме рис.1.

Рис. 3. Измерение рабочего тока и напряжения светодиодного фонарика, собранного по принципиальной электрической схеме рис. 1.
При напряжении питания схемы 2,86 Вольта потребляемый ток схемы 146 мА.